Hotline
+86 13563566222


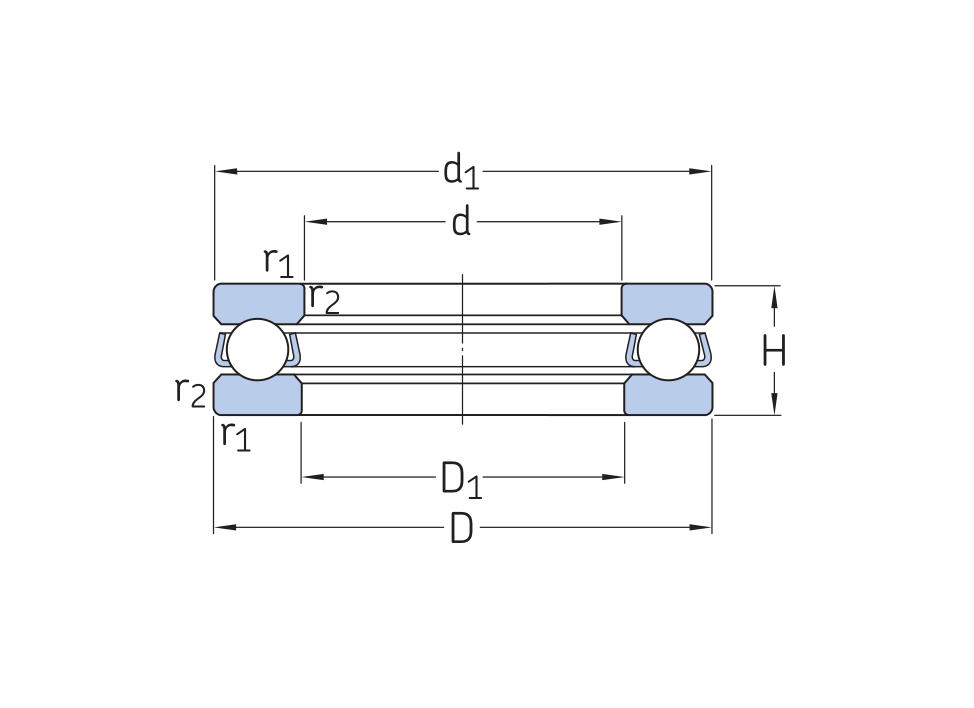
Model |
53411 |
d |
55 |
D |
120 |
B |
50.5 |
Dinamik yük |
178 |
Statik yük |
359 |
Gres yağlama hızı |
1200 |
Yağla yağlanan dönme hızı |
1900 |
Ağırlık |
2.57 |
Herhangi bir sorunuz varsa, lütfen bizimle iletişime geçin!
Contact us
